GSA-MCC2 Dual Input (Riser) Signal Module
GSA-MCC2 Single Input Signal Modules is part of Kidde's Signature Series system ⭐
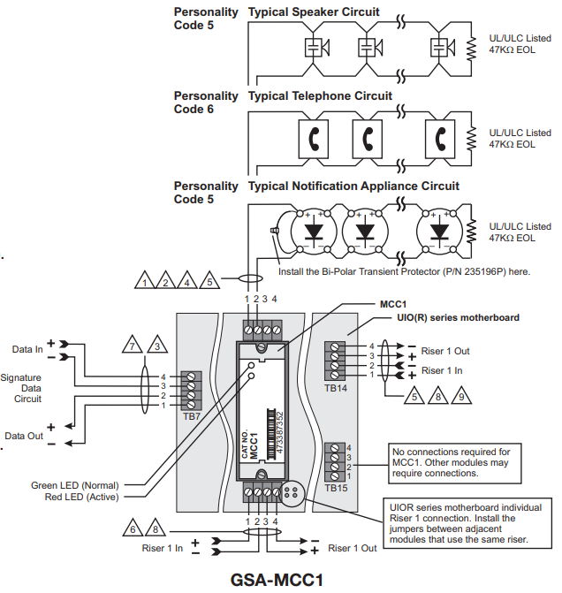
✅ They are intelligent analog addressable devices used for connecting, upon command the loop controller, supervised Class B signal or telephone circuits to their respective power inputs. The power inputs may be polarized 24 Vdc to operate audible and visible signal appliances or 25 and 70 VRMS to operate audio evacuation speakers and firefighter’s telephones ⭐
✅ The actual operation of the GSA-MCC2 is determined by the “personality code” selected by the installer. It is downloaded to the module the Signature loop controller during system configuration.
Standard Features
• Single and Dual input (riser) Use for connecting supervised 24 Vdc Audible/Visible signal circuits, or 25 and 70 VRMS Audio Evacuation and Telephone circuits to their power inputs.
• Ring-tone generator When configured for telephone circuits, the GSA-CC1 generates its own ring-tone signal eliminating the need for a separate ring-tone circuit.
• Plug-in (UIO) or standard 2-gang mount UIO versions allow quick installation where multiple modules are required. The 2-gang mount version is ideal for remote locations that require a single module.
• Automatic device mapping Signature modules transmit information to the loop controller regarding their circuit locations with respect to other Signature devices on the wire loop.
• Electronic addressing Programmable addresses are downloaded the loop controller, a PC, or the SIGA-PRO Signature Program/Service Tool; there are no switches or dials to set.
• Intelligent device with microprocessor All decisions are made at the module to allow lower communication speed with substantially improved control panel response time and less sensitivity to line noise and loop wiring properties; twisted or shielded wire is not required.
• Ground fault detection by address Detects ground faults right down to the device level.
Application
The operation of the GSA-MCC1 is determined by their sub-type code or “Personality Code”. The code is selected by the installer depending upon the desired application and is down-loaded the loop controller. Codes 5 and 6 apply to the GSA-CC1/MCC1 only. Code 7 is assigned to the GSA-CC2/MCC2 only and automatically applies to both circuits (A and B)
Installation
GSA-MCC1 : mount the UIO motherboard inside a suitable Kidde enclosure with screws and washers provided. Plug the GSA-MCC1 or GSA-MCC2 any available position on the motherboard and secure the module to the motherboard with the captive screws. Wiring connections are made to the terminals on the motherboard (see wiring diagram). UIO motherboard terminals are suited for #12 to #18 AWG (2.5 mm2 to 0.75 mm2 ) wire size.
.png)
.png)
Specifications
| Catalog Number | GSA-CC1 | GSA-MCC1 | GSA-CC2 | GSA-MCC2 |
| Description | Single Input (Riser) Signal Module | Dual Input (Riser) Signal Module | ||
| Type Code |
50 (factory set) Two sub-types (personality codes) are available |
51 (factory set) One sub-type (personality code) is available (factory set) |
||
| Address Requirements | Uses one module address | Uses two module addresses | ||
| Wiring Terminations | Suitable for #12 to #18 AWG (2.5 mm² to 0.75mm²) | |||
| Mounting | North American 2½ inch (64 mm) deep two-gang boxes and 1½ inch (38 mm) deep 4 inch square boxes with 2-gang covers and GSA-MP mounting plates | Plugs UIO2R, UIO6R or UIO6 Motherboards | North American 2½ inch (64 mm) deep two-gang boxes and 1½ inch (38 mm) deep 4 inch square boxes with 2-gang covers and GSA-MP mounting plates | Plugs UIO2R, UIO6R or UIO6 Motherboards |
| Operating Current | Standby = 223µA Activated = 100µA | |||
| Operating Voltage | 15.2 to 19.95 Vdc (19 Vdc nominal) | |||
| Output Rating | 24 Vdc = 2 amps 25 V Audio = 50 watts 70 V Audio = 35 watts | |||
| Construction | High Impact Engineering Polymer | |||
| Storage & Operating Environment | Operating Temperature: 32°F to 120°F (0°C to 49°C) Storage Temperature: -4°F to 140°F (-20°C to 60°C) Humidity: 0 to 93% RH | |||
| LED Operation | On-board Green LED - Flashes when polled On-board Red LED - Flashes when in alarm/active | |||
| Compatibility | Use with: Signature Loop Controller | |||
| Agency Listings | UL, ULC, CSFM, MEA, FM | |||
Ordering Information
| Catalog Number | Description | Ship Wt. lbs (kg) |
| GSA-CC1 | Single Input Signal Module (Standard Mount) - UL/ULC Listed | 0.5 (0.23) |
| GSA-MCC1 | Single Input Signal Module (UIO Mount) - UL/ULC Listed | 0.18 (0.08) |
| GSA-CC2 | Dual Input Signal Module (Standard Mount) - UL/ULC Listed | 0.5 (0.23) |
| GSA-MCC2 | Dual Input Signal Module (UIO Mount) - UL/ULC Listed | 0.18 (0.08) |
Related Equipment
| 27193-21 | Surface Mount Box - Red, 2-gang | 2 (1.2) |
| 27193-26 | Surface Mount Box - White, 2-gang | 2 (1.2) |
| GSA-UIO2R | Universal Input-Output Module Board w/Riser Inputs - Two Module Positions | 0.32 (0.15) |
| GSA-UIO6R | Universal Input-Output Module Board w/Riser Inputs - Six Module Positions | 0.62 (0.28) |
| GSA-UIO6 | Universal Input-Output Module Board - Six Module Positions | 0.5 (0.23) |
| GSA-MP2L | Signature Module Mounting Plate, 1/2 extended footprint | 1.02 (0.46 |
Accessories
| MFC-A |
Multifunction Fire Cabinet - Red, supports Signature Module Mounting Plates |
7.0 (3.1) |
| GSA-MP1 | Signature Module Mounting Plate, 1 footprint | 1.5 (0.70) |
| GSA-MP2 | Signature Module Mounting Plate, 1/2 footprint | 0.5 (0.23) |
| GSA-MP2L | Signature Module Mounting Plate, 1/2 extended footprint | 1.02 (0.46) |
Have 0 comment, evaluate about GSA-MCC2 Dual Input (Riser) Signal Module
TVAdministratorsAdministrators