Product information
Sprinkler head FH222-TIR (FH212-TIR) or Upright Type sprinkler is designed for fire protection systems in several areas at the same level. Mainly used in water shielded area. The disc mounted on top of the heat detector provides a higher level of sprinkler fuse protection. Works better in fire environments.
.gif)
Technical specifications of Sprinkler head FH222-TIR (FH212-TIR)
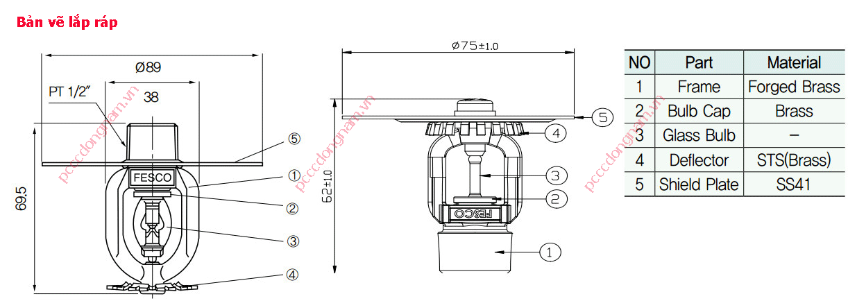
Sprinkler nozzle assembly drawing FH222-TIR (FH212-TIR)
-2.gif)
Xem thêm
Rút gọn
X
Product portfolio
Online support
Ms. Nguyen (Vice president)
Mr. Tam (Design consultancy)
Mr Đong (Technicians)
Ms Ngan (Accountant)
Sales manager
Mr. Khoa (Deputy business)
Ms Duy( Deputy business)
Ms Thao (Deputy business)
Mr Nghi (Deputy business)
Mr Dong (Deputy business)
Mr Thai (Deputy business)
Ms.Nhi ( Deputy business)
Mr Hy (Delivery)
Have 0 comment, evaluate about Sprinkler Heads FH222-TIR and FH212-TIR
TVAdministratorsAdministrators