Sprinkler Heads FH221-TIR and FH211-TIR
Manufacture:
Hàn Quốc
Product code:
FH221-TIR and FH211-TIR
Sprinkler head FH221-TIR (FH211-TIR) imported Korea, designed with aesthetic design, is always well received by customers with perfect quality. DONG NAM Company imports and distributes the best prices on the market
Product information
Sprinkler head FH221-TIR (FH211-TIR) also known as Upright Type sprinkler is designed for fire protection systems in several areas at the same level. Mainly used in water shielded area. The disc mounted on top of the heat detector provides a higher level of sprinkler fuse protection. Works better in fire environments.
.gif)
Specifications Sprinkler FH221-TIR (FH211-TIR)
-1.gif)
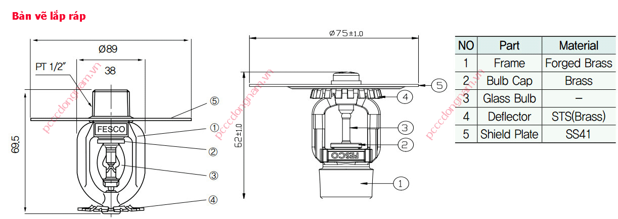
Sprinkler head assembly drawing FH221-TIR (FH211-TIR)
-2.gif)
Xem thêm
Rút gọn
X
Product portfolio
Online support
Ms. Nguyen (Vice president)
Mr. Tam (Design consultancy)
Mr Đong (Technicians)
Ms Ngan (Accountant)
Sales manager
Mr. Khoa (Deputy business)
Ms Duy( Deputy business)
Ms Thao (Deputy business)
Mr Nghi (Deputy business)
Mr Dong (Deputy business)
Mr Thai (Deputy business)
Ms.Nhi ( Deputy business)
Mr Hy (Delivery)
Have 0 comment, evaluate about Sprinkler Heads FH221-TIR and FH211-TIR
TVAdministratorsAdministrators