Nohmi LED control module PCA-N3060-LDM
Manufacture:
Nohmi
Product code:
PCA-N3060-LDM
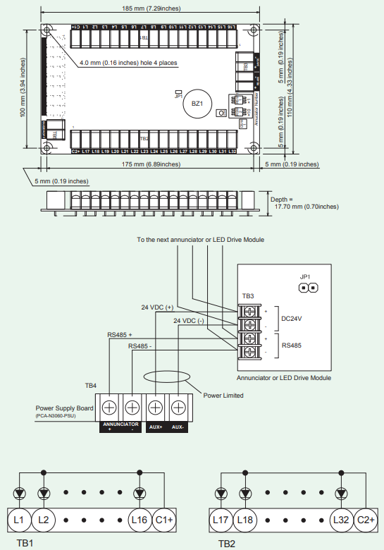
PCA-N3060-LDM is a type of telemetry device equipped with 32 LED driver outputs PCA-N3060-LDM is designed for use with custom manufactured mimic boards and any Which device requires zone status output , Use for N3060 Nohmi . addressable fire alarm system
Product information
• UL 864, 9th edition listed
• 32 LED driver outputs for zone status indication
• Continuous or random zone numbers can be assigned
• Acoustic warning device (Built-in buzzer)
• Power status LEDs and transmission status LEDs
• Check LED driver output
• Easy to install
+++ Part No. PCA-N3060-LDM
Specifications
| No | Item | Specifications |
| 1 | Maximum current 24 VDC | 370 mA |
| 2 | Working temperature | 0 to 49 °C (32 to 120 °F) |
| 3 |
RA bus wire maximum length |
1.2 km (4000 ft) |
| 4 | Maximum impedance RA bus | 40 Ω |
| 5 | Maximum capacitance for wiring OUT bus | 0.4 μF |
| 6 | Applicable baud rate RA bus | 2400, 4800, và 9600 bps |
| 7 | Annunciator's day bus ride style | NFPA class B (Kiểu 4) |
| 8 | Maximum number of nodes on the network | 30 |
| 9 | Connected type | RS-485 |
| 10 | Dimension | 110 mm (4.33”)(H) x 185 mm (7.28”)(W) x 15 mm (0.59”)(D) |
Setup and event logging
.png)
Xem thêm
Rút gọn
X
Product portfolio
Online support
Ms. Nguyen (Vice president)
Mr. Tam (Design consultancy)
Mr Đong (Technicians)
Ms Ngan (Accountant)
Sales manager
Mr. Khoa (Deputy business)
Ms Duy( Deputy business)
Ms Thao (Deputy business)
Mr Nghi (Deputy business)
Mr Dong (Deputy business)
Mr Thai (Deputy business)
Ms.Nhi ( Deputy business)
Mr Hy (Delivery)
Have 0 comment, evaluate about Nohmi LED control module PCA-N3060-LDM
TVAdministratorsAdministrators