Van xả tràn MODEL 68 DE HRV
Van xả/van trước tác động được điều khiển bằng thủy lực, được điều khiển bằng thủy lực, được kích hoạt bằng áp suất đường ống. Van được đóng ở vị trí bình thường, đã cài đặt và mở ra khi áp suất thủy lực giảm xuống trong đường dẫn điều áp, làm ngắt rơle thủy lực. Van xả thủ công khẩn cấp được trang bị theo tiêu chuẩn.
CÁC TÍNH NĂNG VÀ LỢI ÍCH Van xả tràn MODEL 68 DE HRV
Hệ thống xả lũ áp suất cao (PN25/375psi), lưu lượng lớn
Kích hoạt khẩn cấp thủ công tự động hoặc cục bộ
Hệ thống chữa cháy khu vực được phân loại nguy hiểm, dễ cháy nổ
Thiết kế vượt trội với tổn thất áp suất đặc biệt thấp ở tốc độ dòng chảy cao
Chi phí bảo trì trọn đời thấp do thiết kế đơn giản
Áp dụng cho nước ngọt hoặc nước lợ, nước biển & bọt
Các van đã được lắp ráp và kiểm tra hoàn chỉnh
Cắt tại nhà máy để lắp đặt theo chiều dọc và chiều ngang mà không cần sửa đổi
Lựa chọn vật liệu van & trang trí mở rộng và lớp phủ bảo vệ chống ăn mòn
Tiêu chuẩn Van xả tràn MODEL 68 DE HRV
.png)
• Cấp độ rò rỉ ghế ANSI FCI 70-2 Class VI
• UL được liệt kê trong danh mục VLFT
• Đã thử lửa theo EN ISO 6182-5:2006 (chỉ 2”- 6”)
• Chứng nhận của Lloyd's & ABS
CÁC ỨNG DỤNG TIÊU BIỂU Van xả tràn MODEL 68 DE HRV
Hệ thống chữa cháy được kích hoạt tự động hoặc thủ công
Lắp đặt hóa dầu, dầu khí
Đường hầm
Nhà máy phát điện, biến thế & truyền tải điện
Lưu trữ dễ cháy
Nhà chứa máy bay & nhà ga sân bay
Nội địa Ngoại địa
Khai thác mỏ
HOẠT ĐỘNG Van xả tràn MODEL 68 DE HRV
Van điều khiển cơ bản [1] được sử dụng trong hệ thống xả lũ này là một màng ngăn đàn hồi làm kín trực tiếp, van điều khiển vận hành bằng thủy lực được thiết kế đặc biệt cho các hệ thống phòng cháy chữa cháy.
Ở vị trí chờ, van xả lũ được giữ đóng bởi áp lực nước ngược dòng, bị mắc kẹt trong buồng điều khiển của van. Áp lực nước đi vào buồng điều khiển thông qua van bi đường mồi [2], bộ lọc Loại Y [3], van một chiều [4] và bộ hạn chế chữ T [5].
Trong điều kiện hỏa hoạn, một (hoặc nhiều) vòi phun nước tự động trên đường dẫn ướt bị nổ. Áp suất trong van rơle [9] giảm xuống, khiến nó mở ra và cho phép nước thoát ra khỏi buồng điều khiển của van xả tràn. Van deluge mở ngay lập tức và cho phép nước chảy vào đường ống và qua các vòi phun nước mở trên khu vực được bảo vệ.
Khởi động khẩn cấp thủ công được kích hoạt bằng cách mở van kích hoạt thủ công khẩn cấp [6]. Van deluge mở ngay lập tức và cho phép nước chảy vào đường ống và qua các vòi phun nước mở trên khu vực được bảo vệ.
.png)
Cấu tạo Van xả tràn MODEL 68 DE HRV
.png)
1) Hóa dầu, Dầu khí
(2) Tham khảo hướng dẫn lựa chọn vật liệu, Dữ liệu kỹ thuật - Vật liệu: Gang dẻo A-536 65-45-12; Thép đúc A-216 WCB; Thép đúc A-352 LCB; austenit Inox A-351/CF8M; Siêu kép 2507; Niken-Nhôm-Đồng B-148 UNS C95800
.png)
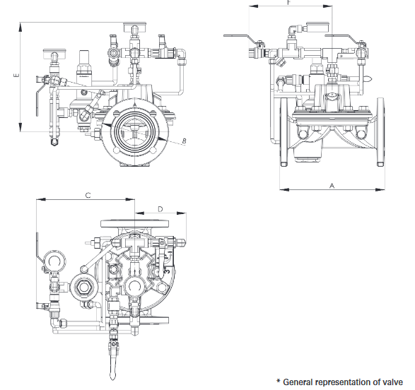
Bảng kích thước Van xả tràn MODEL 68 DE HRV
.png)
.png)
.png)
Có 0 bình luận, đánh giá về Van xả tràn MODEL 68 DE HRV
TVQuản trị viênQuản trị viên