B được giám sát hoặc mạch điện thoại với đầu vào nguồn tương ứng của chúng. Các đầu vào nguồn có thể được phân cực 24 Vdc để vận hành các thiết bị tín hiệu âm thanh và nhìn thấy được hoặc 25 và 70 VRMS để vận hành loa sơ tán âm thanh và điện thoại của lính cứu hỏa Hoạt động thực tế của GSA-MCC1 được xác định bởi "mã cá tính" do người cài đặt chọn .Được tải xuống mô-đun từ bộ điều khiển vòng lặp Signature trong quá trình cấu hình hệ thống.
Các tính năng tiêu chuẩn Mô đun tín hiệu đầu vào đơn GSA-MCC1
• Chọn đầu vào đơn và đầu vào kép (riser) sử dụng để kết nối tín hiệu nghe / nhìn thấy 24 Vdc được giám sát mạch, hoặc điện thoại và sơ tán âm thanh 25 và 70 VRMS mạch đến đầu vào nguồn của chúng.
• Bộ tạo nhạc chuông Khi được định cấu hình cho các mạch điện thoại, GSA-CC1 tạo ra tín hiệu nhạc chuông riêng, loại bỏ sự cần thiết phải có mạch chuông.
• Plug-in (UIO) hoặc ngàm 2 băng tiêu chuẩn các phiên bản UIO cho phép cài đặt nhanh chóng khi có nhiều mô-đun được yêu cầu. Phiên bản gắn kết 2 băng đảng lý tưởng cho điều khiển từ xa các vị trí yêu cầu một mô-đun duy nhất.
• Bản đồ thiết bị tự động mô-đun chữ ký truyền thông tin đến bộ điều khiển vòng lặp liên quan đến vị trí mạch của họ đối với chữ ký khác các thiết bị trên vòng dây.
• Địa chỉ điện tử Địa chỉ có thể lập trình được tải xuống từ bộ điều khiển vòng lặp, PC hoặc Công cụ dịch vụ / chương trình chữ ký SIGA-PRO; không có công tắc hoặc quay số để đặt.
• Thiết bị thông minh với bộ vi xử lý tất cả các quyết định được thực hiện tại mô-đun để cho phép tốc độ truyền thông thấp hơn với bảng điều khiển được cải thiện đáng kể thời gian đáp ứng và ít nhạy cảm hơn với tiếng ồn đường dây và hệ thống dây điện vòng lặp tính chất; không bắt buộc phải có dây xoắn hoặc dây bọc.
• Phát hiện lỗi nối đất theo địa chỉ Phát hiện các lỗi tiếp đất ngay dưới cấp thiết bị.
Ứng dụng Mô đun tín hiệu đầu vào đơn GSA-MCC1
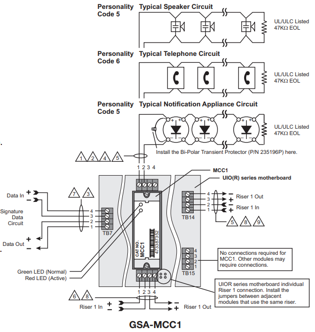
Hoạt động của GSA-MCC1 được xác định bởi mã loại phụ của chúng hoặc “Mã nhân cách”. Mã được chọn bởi trình cài đặt tùy thuộc vào ứng dụng mong muốn và được tải xuống từ bộ điều khiển vòng lặp. Mã 5 và 6 chỉ áp dụng cho GSA-CC1 / MCC1. Mã 7 chỉ được gán cho GSA-CC2 / MCC2 và tự động áp dụng cho cả hai mạch (A và B).
Lắp đặt Mô đun tín hiệu đầu vào đơn GSA-MCC1
GSA-MCC1 : gắn bo mạch chủ UIO bên trong vỏ bọc Kidde phù hợp với vít và vòng đệm được cung cấp. Cắm GSA-MCC1 hoặc GSA-MCC2 vào bất kỳ vị trí nào có sẵn trên bo mạch chủ và cố định mô-đun vào bo mạch chủ bằng các vít cố định. Kết nối dây được thực hiện với các thiết bị đầu cuối trên bo mạch chủ (xem sơ đồ đấu dây). Các thiết bị đầu cuối của bo mạch chủ UIO phù hợp với kích thước dây từ # 12 đến # 18 AWG (2,5 mm2 đến 0,75 mm2).
.png)
.png)
Thông số kỹ thuật Mô đun tín hiệu đầu vào đơn GSA-MCC1
| Số catalog | GSA-CC1 | GSA-MCC1 | GSA-CC2 | GSA-MCC2 |
| Description | Mô đun đầu vào đơn (Riser) Mô đun tín hiệu | Mô đun đầu vào kép(Riser) Mô đun tín hiệu | ||
| Loại code |
50 (bộ xuất xưởng) Hai loại phụ (mã code) có sẵn |
51 (bộ xuất xưởng) Một loại phụ (mã code) có sẵn (đặt tại nhà máy) |
||
| Yêu cầu địa chỉ | Sử dụng 1 mô đun địa chỉ | Sử dụng 2 mô đun địa chỉ | ||
| Cảnh báo hệ thống dây |
Thích hợp cho # 12 đến # 18 AWG (2,5 mm² đến 0,75mm²) |
|||
| Nơi gắn |
Hộp hai gang sâu 2 inch (64 mm) ở Bắc Mỹ và hộp vuông 4 inch sâu 1½ inch (38 mm) có nắp 2 gang và tấm gắn GSA-MP |
Cắm vào bo mạch chủ UIO2R, UIO6R hoặc UIO6 |
Hộp hai gang sâu 2 inch (64 mm) ở Bắc Mỹ và hộp vuông 4 inch sâu 1½ inch (38 mm) có nắp 2 gang và tấm gắn GSA-MP |
Cắm vào Bo mạch chủ UIO2R, UIO6R hoặc UIO6 |
| Công suất hiện tại | Tiêu chuẩn = 223µA Kích hoạt = 100µA | |||
| Điện áp hoạt động | 15.2 đến 19.95 Vdc (19 Vdc nominal) | |||
| Công suất đầu ra | 24 Vdc = 2 amps 25 V Audio = 50 watts 70 V Audio = 35 watts | |||
| Cấu tạo | Polymer kỹ thuật cao | |||
| Môi trường lưu trữ và vận hành | Nhiệt độ làm việc : 32°F đến 120°F (0°C đến 49°C) Nhiệt độ lưu trữ: -4°F đến 140°F (-20°C đến 60°C) Độ ẩm: 0 to 93% RH | |||
| Hoạt động của LED |
Đèn LED xanh trên bo mạch - Nhấp nháy khi được thăm dò Đèn LED đỏ trên bo mạch - Nhấp nháy khi báo động / hoạt động |
|||
| Khả năng tương thích |
Sử dụng với: Bộ điều khiển vòng lặp chữ ký |
|||
| Tiêu chuẩn | UL, ULC, CSFM, MEA, FM | |||
Thông tin đặt hàng Mô đun tín hiệu đầu vào đơn GSA-MCC1
| Số catalog | Mô tả |
Trọng lượng Ship Wt. lbs (kg) |
| GSA-CC1 |
Mô-đun tín hiệu đầu vào đơn (Giá đỡ tiêu chuẩn) - UL/ULC Listed |
0.5 (0.23) |
| GSA-MCC1 |
Mô-đun tín hiệu đầu vào đơn (Gắn kết UIO) - UL/ULC Listed |
0.18 (0.08) |
| GSA-CC2 |
Mô-đun tín hiệu đầu vào kép (Giá đỡ tiêu chuẩn) - UL/ULC Listed |
0.5 (0.23) |
| GSA-MCC2 |
Mô-đun tín hiệu đầu vào kép (UIO Mount) - UL/ULC Listed |
0.18 (0.08) |
Thiết bị liên quan Mô đun tín hiệu đầu vào đơn GSA-MCC1
| 27193-21 |
Hộp gắn bề mặt - Đỏ, 2 băng |
2 (1.2) |
| 27193-26 | Hộp gắn bề mặt - Trắng, 2 băng | 2 (1.2) |
| GSA-UIO2R |
Bảng mô-đun đầu vào-đầu ra phổ quát với đầu vào Riser - Hai vị trí mô-đun |
0.32 (0.15) |
| GSA-UIO6R |
Bảng mô-đun đầu vào-đầu ra phổ quát với đầu vào Riser - Sáu vị trí mô-đun |
0.62 (0.28) |
| GSA-UIO6 |
Bảng mô-đun đầu vào-đầu ra phổ quát - Sáu vị trí mô-đun |
0.5 (0.23) |
| GSA-MP2L |
Tấm gắn mô-đun Signature, 1/2 dấu chân mở rộng |
1.02 (0.46 |
Phụ kiện Mô đun tín hiệu đầu vào đơn GSA-MCC1
| MFC-A |
Tủ cứu hỏa đa năng - Màu đỏ, hỗ trợ Chữ ký Tấm gắn mô-đun |
7.0 (3.1) |
| GSA-MP1 |
Tấm gắn mô-đun chữ ký, 1 dấu |
1.5 (0.70) |
| GSA-MP2 |
Tấm gắn mô-đun chữ ký, 1/2 footprint |
0.5 (0.23) |
| GSA-MP2L |
Tấm gắn mô-đun Signature, 1/2 dấu mở rộng |
1.02 (0.46) |
Có 0 bình luận, đánh giá về Mô đun tín hiệu đầu vào đơn GSA-MCC1
TVQuản trị viênQuản trị viên