Mô đun đồng bộ hoá đầu ra GSA-CC1S
GSA-CC1S Mô-đun đầu ra đồng bộ hóa là thiết bị định địa chỉ tương tự thông minh tạo thành một phần của dòng sản phẩm Kidde's Signature Hoạt động thực tế của GSA-CC1S được xác định bởi "mã tính cách" được chọn bởi trình cài đặt, được tải xuống mô-đun từ bộ điều khiển vòng lặp Signature trong quá trình cấu hình hệ thống. Tùy thuộc vào tính cách được chỉ định của chúng, Mô-đun đầu ra đồng bộ hóa có thể được sử dụng như một bộ chọn bộ tăng công suất tín hiệu để cung cấp đồng bộ hóa các tín hiệu báo cháy trên nhiều khu vực hoặc để kết nối, theo lệnh từ bộ điều khiển vòng lặp, tín hiệu Loại B được giám sát hoặc các mạch điện thoại tương ứng với chúng đầu vào nguồn. Đầu vào nguồn có thể là phân cực 24 Vdc để vận hành các thiết bị tín hiệu nghe được và nhìn thấy được hoặc 25 và 70 VRMS để vận hành loa sơ tán âm thanh và điện thoại của lính cứu hỏa.
Các tính năng tiêu chuẩn
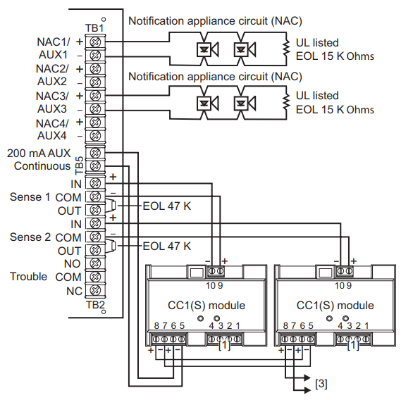
• Cung cấp đầu ra tự động đồng bộ hóa tuân thủ UL 1971 cho các tín hiệu hình ảnh Sử dụng để kết nối mạch đầu ra được giám sát với đầu vào riser 24 Vdc được giám sát và đồng bộ hóa nhiều mạch thiết bị thông báo.
• Chức năng như một bộ chọn độ cao tín hiệu âm thanh sử dụng như một mô-đun đồng bộ hoặc để kết nối các mạch tín hiệu nghe / nhìn thấy 24 Vdc được giám sát hoặc mạch điện thoại và di tản âm thanh 25 và 70 VRMS với đầu vào nguồn của chúng.
• Bộ tạo nhạc chuông tích hợp Khi được cấu hình cho mạch điện thoại, GSA-CC1S tạo ra tín hiệu nhạc chuông riêng, loại bỏ nhu cầu về mạch nhạc chuông riêng.
• Lập bản đồ thiết bị tự động Mô-đun chữ ký truyền thông tin đến bộ điều khiển vòng lặp về vị trí mạch của chúng đối với các thiết bị chữ ký khác trên vòng dây.
• Định địa chỉ điện tử Các địa chỉ có thể lập trình được tải xuống từ bộ điều khiển vòng lặp, PC hoặc công cụ dịch vụ / chương trình chữ ký SIGA-PRO; không có công tắc hoặc quay số để đặt.
• Thiết bị thông minh với bộ vi xử lý Tất cả các quyết định đều được thực hiện tại mô-đun để cho phép tốc độ truyền thông thấp hơn với thời gian phản hồi của bảng điều khiển được cải thiện đáng kể và ít nhạy cảm hơn với các đặc tính của nhiễu đường dây và dây vòng; không bắt buộc phải có dây xoắn hoặc dây bọc.
Ứng dụng
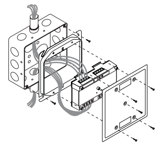
GSA-CC1S gắn với hộp điện hai băng tiêu chuẩn của Bắc Mỹ, lý tưởng cho các vị trí chỉ cần một mô-đun. Các kết nối I / O và vòng lặp dữ liệu riêng biệt được thực hiện cho mỗi mô-đun
Cài đặt
GSA-CC1S: gắn vào Bắc Mỹ 2-1 / 2 inch (64 mm) hộp sâu 2 gang và hình vuông sâu 4 inch 1-1 / 2 inch (38 mm) hộp có nắp 2 băng và tấm gắn GSA-MP. Các thiết bị đầu cuối phù hợp với # 12 đến # 18 AWG (2,5 mm2 đến 0,75 mm2 ) kích thước dây.
.png)
.png)
.png)
Thông số kỹ thuật
| Số catalog | GSA-CC1S | GSA-MCC1S |
| Gắn |
Hộp hai gang sâu 2 inch (64 mm) ở Bắc Mỹ và hộp vuông 4 inch sâu 1½ inch (38 mm) có nắp 2 gang và tấm gắn GSA-MP |
Cắm vào bo mạch chủ UIO2R, UIO6R hoặc UIO6 |
| Mô tả | Mô đun đồng bộ hoá đầu ra | |
| Loại Code |
50 (bộ xuất xưởng) |
|
| Yêu cầu địa chỉ | Sử dụng 1 mô đun địa chỉ | |
| Hệ thống dây thích hợp |
Thích hợp cho # 12 đến # 18 AWG (2,5 mm² đến 0,75mm² |
|
| Công suất hiện tại |
Tiêu chuẩn = 223µA Được kích hoạt= 100µA |
|
| Điện áp vận hành | 15.2 đến 19.95 Vdc (19 Vdc nominal) | |
| Công suất đầu ra |
24 Vdc = 2 amps 25 V Audio = 50 watts 70 V Audio = 35 watts |
|
| Cấu tạo | Sử dụng Polymer kỹ thuật cao | |
| Lưu trữ và vận hành |
Nhiệt độ vận hành: 32°F đến 120°F (0°C đến 49°C) Lư trữ: -4°F đến 140°F (-20°C đến 60°C) Độ ẩm : 0 đến 93% RH |
|
| Đèn LED |
Đèn LED xanh lục - Nhấp nháy khi được thăm dò Đèn LED đỏ - Nhấp nháy khi báo động / hoạt động |
|
| Khả năng tương thích |
Sử dụng với: Bộ điều khiển vòng lặp chữ ký |
|
| Tiêu chuẩn | UL, ULC, CSFM, MEA | |
Thông tin đặt hàng
| Số Catalog | Mô tả |
Trọng lượng Shipping Wt. lbs (kg) |
| GSA-CC1S |
Mô-đun đầu ra đồng bộ hóa (Giá đỡ tiêu chuẩn) - UL/ULC Listed |
0.5 (0.23) |
| GSA-MCC1S |
Mô-đun đầu ra đồng bộ hóa (UIO Mount) - UL/ULC Listed |
0.18 (0.08) |
Thiết bị liên quan
| 27193-21 |
Hộp gắn bề mặt - Đỏ, 2 băng |
2 (1.2) |
| 27193-26 |
Hộp gắn bề mặt - Trắng, 2 băng |
2 (1.2) |
| GSA-UIO2R |
Bảng mô-đun đầu vào-đầu ra phổ quát với đầu vào Riser - Hai vị trí mô-đun |
0.32 (0.15) |
| GSA-UIO6R |
Bảng mô-đun đầu vào-đầu ra phổ quát với đầu vào Riser - Sáu vị trí mô-đun |
0.62 (0.28) |
| GSA-UIO6 |
Bảng mô-đun đầu vào-đầu ra phổ quát - Sáu vị trí mô-đun |
0.56 (0.25 |
| 235196P |
Bộ bảo vệ thoáng qua hai cực |
0.01 (0.05) |
| MFC-A |
Tủ cứu hỏa đa chức năng - Màu đỏ, hỗ trợ các tấm gắn mô-đun đặc trưng |
7.0 (3.1) |
| GSA-MP1 |
Tấm gắn mô-đun chữ ký, 1 dấu |
1.5 (0.70) |
| GSA-MP2 |
Tấm gắn mô-đun chữ ký, 1/2 footprint |
0.5 (0.23) |
| GSA-MP2L |
Tấm gắn mô-đun Signature, 1/2 dấu chân mở rộng |
1.02 (0.46) |
Có 0 bình luận, đánh giá về Mô đun đồng bộ hoá đầu ra GSA-CC1S
TVQuản trị viênQuản trị viên